深圳市斯坦福電力設備有限公司
聯系人:曾經理
電話:13927446292
郵箱:zompower@126.com
地址:深圳市龍華區觀瀾街道廣培社區裕新路120號302
深圳斯坦福 發布時間:2025-09-17 瀏覽量:

充電機作為啟動運行中的主要電源,擔負著向啟動系統以外所有用電設備供電的任務,并向蓄電池充電。交流發電機具有輸出功率大、低速充電性能好、所配用的調節器結構簡單且無整流火花、對無線電干擾小等特點,適應了柴油發電機組對電源的要求。
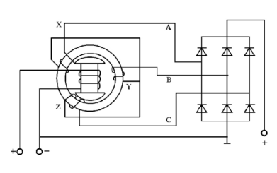
如圖A所示是交流發電機的工作原理圖。發電機的三相定子繞組按一定規律分布在發電機的定子槽中,彼此相差120°電角度,且匝數相等。三相繞組的首端分別接在整流器上,其末端連在一起,呈星形連接。
當轉子磁場繞組接通直流電時,產生了磁場,使轉子軸上的兩塊爪形磁極被磁化。當轉子旋轉時,形成旋轉磁場,磁力線被定子繞組切割。根據電磁感應原理,勢必在定子三相繞組中產生頻率相同、振幅相等、相位互差120°的正弦交流電動勢。每相繞組的電動勢的有效值E與轉子轉速n以及磁極磁通中成正比,即:E=CenØ
式中:E——每相繞組中電動勢的有效值(V);
C——電機結構常數;
n——轉子轉速(r/min);
Ø——每極磁通(Wb)

圖A硅整流發電機工作原理
當充電發電機被柴油發電機組的發動機帶動時,發電機跟隨旋轉,這時便有電壓和電流輸出,使蓄電池充電。柴油發電機組起動期間,充電機電壓小于蓄電池電壓時,整流二極管截止,充電機不能對外輸出,由蓄電池供給磁場電流。路徑為:蓄電池正極→點火開關SW→磁場繞組調節器→搭鐵→蓄電池負極。
說明:發電機的旋轉方向為順時針方向,皮帶輪對準自已。正極搭鐵。
① 內搭鐵型交流發電機
如圖B(a)所示,發電機磁場繞組的一端與發電機殼體連接的交流發電機。
② 外搭鐵型交流發電機
如圖B(b)所示,發電機磁場繞組的一端經點火開關接電源,另一端經調節器后搭鐵的交流發電機。

圖B 發電機搭鐵形式
溫馨提示:
以上信息來源于互聯網,若有侵犯版權,請隨時聯系我們刪除。
未經我方許可,請勿隨意轉載信息!
如果希望了解更多有關柴油發電機組技術數據與產品資料,請撥打熱線電話聯系我們:400 777 1996
以上就是柴油發電機廠家深圳市斯坦福電力設備有限公司為大家帶來柴油發電機的充電機工作原理的內容,希望對大家有所幫助。
在保障電力供應穩定與應對突發斷電的關鍵時刻,柴油發電機是您堅實的后盾。但您是否擔憂它在關鍵時刻能否可靠啟動?是否因運行噪音或排放問題而顧慮重重?
深圳市斯坦福專注于打造 更強勁、智能、靜音的柴油發電解決方案!我們深知穩定電源對您生產運營的至關重要。告別低效、高噪、不可靠的供電困擾!
·強勁動力:高性能柴油發電機組,滿足各種嚴苛電力需求。
·智能可靠:先進控制系統保障穩定運行,應對突發狀況游刃有余。
·靜音環保:領先的降噪技術和優化設計,顯著降低運行噪音,減少環境干擾。
·無憂服務:專業團隊提供全方位支持,從選型到維保,全程護航。
·立刻行動:撥打免費熱線:400-777-1996,獲取免費、專業的柴油發電機選型建議與靜音優化方案,讓您的電力保障更安心、更省心、更寧靜!
文章鏈接: 柴油發電機的充電機工作原理 http://www.yhwtjj.cn/news/311.html
文章標簽: 柴油發電機充電機原理 / 蓄電池充電 /
深圳市斯坦福電力設備有限公司
電話:13927446292
郵箱:zompower@126.com
地址:深圳市龍華區觀瀾街道廣培社區裕新路120號302

公司官網

微信號
Copyright ? 2025-2026 深圳市斯坦福電力設備有限公司 All Rights Reserved. | 網站地圖 | 粵ICP備20048207號